All Purpose Seeders

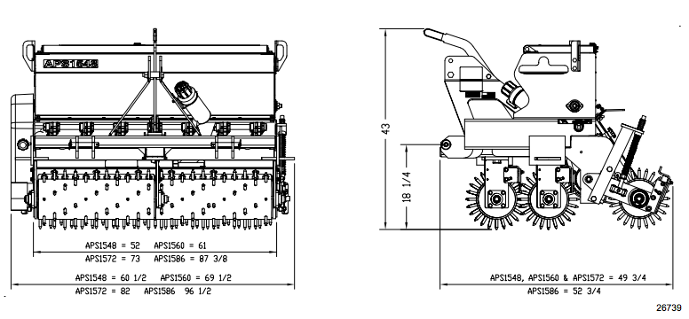
APS 1572 All Purpose Seeder
The APS15 Series All Purpose Seeders are excellent combination planting and cultivation tools for golf courses, school systems, municipalities, rental yards, construction companies, sports fields, and college campuses. Their narrower widths make them effective in seeding applications on residential lots, grassy medians, or rights-of-way adjacent to sidewalks, community parks, sporting facilities, and golf courses. Unlike wider seeder models, these units will do a more effective job of planting in areas where undulations, moguls, and depressions are prevalent.
The seed box is equipped with our standard fluted seed cups and an agitator, enabling highly accurate and uniform delivery of most turf grass seeds as well as a wide variety of other seeds ranging from alfalfa to peas. The spiked front rollers can be adjusted for more or less “crab-action" cultivation making them ideal for opening up and planting in hard or thatchy soil profiles.
Features:
MACHINE WEIGHT: Heavier unit weight provides for better spike penetration and seed-to-soil contact.
LIFT HOOKS: Lift hooks mounted on each end of seedbox to attach lift straps or chains for easy loading and unloading.
WATER-TIGHT SEEDBOX: Keeps moisture and rodents out of the seedbox.
LARGE SEEDBOX CAPACITY: One bushel per foot. Keeps filling to a minimum and increases productivity.
EASY SEEDBOX CLEANOUT: Simply moving the flute lever to the proper position allows for easy cleanout and removal of all seeds.
HEAVY DUTY HOPPER LID WITH STAY OPEN SUPPORT: Precision fit to keep water and rodents out and HD construction with integral prop support keeps lid from slamming shut in windy conditions.
SEED SPLASH GUARD: Prevents seed from being spilled out between the lid and the box during hopper filling.
PRECISION GRASS SEED CUPS: Proven fluted seed cups for highly accurate seed delivery.
BUILT-IN AGITATOR: Prevents bridging and keeps seed flowing evenly to cups.
POWDERED METAL IN FLUTED SPROCKETS: Helps dissipate any heat buildup from fluted area and plastic seed cup housing.
EASY SEED RATE ADJUSTMENT CAPABILITY: Proper seed rate lever positioning is conveniently indicated on the seed rate chart for ease of setting and adjustment with a high level of confidence.
WIND GUARDED SEED DROP: Protects seed from blowing away and ensures uniform seed distribution across the full width of the seeder.
SEED RATE CHART: Conveniently positioned as large durable decal under the seed box lid for handy calibration reference.
#40 ROLLER CHAIN DRIVE: Provides for smooth and quiet running with a high degree of reliability and a spring loaded idler keeps the chain properly tensioned.
HIGH AND LOW SPEED RANGE SETTINGS: A simple and easy repositioning of seed drive sprockets allows for an expanded range of seed drive settings.
CRAB ACTION SPIKED FRONT ROLLERS: Two 8" diameter front rollers can easily be angled from 0-20 degrees providing for more or less aggressive de-thatching action or soil cultivation and seedbed preparation.
SPRING MOUNTED REAR ROLLERS: Full length rear rollers come in a choice of 8" diameter spiked steel or a cast steel and notched packer type roller that are spring loaded for maximum down pressure and seed to soil contact.
GROUND DRIVEN METERING: The rear roller serves as the primary seed meter drive providing a very high degree of accuracy, low maintenance costs, and long component life.
REAR SPIKED ROLLER OPTION: Opens ground surfaces covered with heavy vegetation and/or grasses to allow seed to make contact with the soil. Allows planting over existing grass without killing the grass.
REAR PACKER ROLLER OPTION: Presses seed into full contact with soil that has been worked into a seed bed.
MUD SCRAPERS OPTION: Reduces build-up of mud and debris on rollers when working in wet, sticky, or trashy soil.
SPRING LOADED CHAIN IDLER: Spring loaded idler keeps constant pressure on chain so seeding rate is consistent.
Specifications



